Заказ

Ваша корзина пуста!

Шкаф АВР 1250А, 2 ввода, на автоматах Andeli

Артикул АВР-PRS-А-2-1-1250-AND
Исполнение навесное
Степень защиты IP 31
Количество полюсов 3 P
Номинальное рабочее напряжение 380 В
Производитель: PIRIS

Проектная цена с НДС

Получить скидку

971 900 ₽

Срок производства от 12 дней

Характеристики

Описание

Задать вопрос

Характеристики

  • Артикул: АВР-PRS-А-2-1-1250-AND
  • Производитель: PIRIS
  • Тип коммутации АВР: Мотор-автоматы
  • Исполнение: навесное
  • Габариты: 2100×800×600 мм (высота×ширина×глубина)
  • Масса: 290 кг
  • Степень защиты: IP 31
  • Направление ввода и вывода кабеля: Снизу
  • Количество вводов: 2
  • Количество полюсов: 3 P
  • Номинальный ток: 1250 А
  • Номинальная отключающая способность: 50 кА
  • Режим работы: Автоматический и ручной
  • Номинальное рабочее напряжение: 380 В
  • Напряжение цепей управления: 220 В
  • Тип расцепителя: термомагнитный нерегулируемый
  • Комплектующие: Andeli
  • Цвет корпуса: RAL 7035

Шкаф АВР-PRS-А-2-1-1250-AND на автоматических выключателях с моторным приводом

Шкаф АВР-PRS-А-2-1-1250-AND выполнен на автоматических выключателях серии AM1-1250M 3P 1000A 100KA ADL06-069 с моторными приводами. Шкаф имеет два ввода, светосигнальную индикацию и панель управления на дверце.

Система АВР автоматически переключает нагрузку на резервный источник при аварии на основном вводе, с функцией самовозврата. Приоритет вводов и время переключения задаются через программируемый логический контроллер (ПЛК) Rievtech PR-12AC-R.

ПЛК Rievtech PR-12AC-R поддерживает питание 110–240В AC, оснащён 8 дискретными входами, 4 релейными выходами, встроенными часами реального времени, интерфейсом RS-232 и ЖК-дисплеем для визуального контроля. Контроллер поддерживает протокол Modbus, что обеспечивает лёгкую интеграцию в системы автоматизации.

Шкаф оборудован тремя видами защит:
— от короткого замыкания;
— от пониженного и повышенного напряжения;
— электрическая блокировка одновременного включения обоих вводов.

Вводы подключаются снизу, возможен вывод на клеммы и установка дополнительной секции распределения. Корпус металлический, степень защиты IP31 (по заказу – IP54).

Габариты шкафа АВР-PRS-А-2-1-1250-AND

Габариты шкафа АВР на 1250А, на автоматах Andeli с 2 вводами

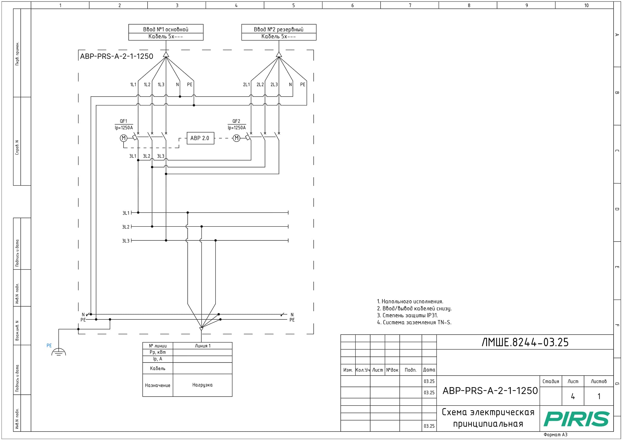
Принципиальная схема АВР-PRS-А-2-1-1250-AND

Электрическая схема шкафа АВР на 1250А, на автоматах Andeli, 2 ввода
Электрическая схема шкафа АВР на 1250А, на автоматах Andeli, 2 ввода

Производство, доставка, гарантия и оплата:

  1. Шкафы автоматического ввода резерва на автоматических выключателях с моторным приводом изготавливаются за 14-25 дней, что позволяет учитывать индивидуальные пожелания заказчика.
  2. Доставка бесплатная по всей России до терминала «Деловые Линии».
  3. Гарантия — 2 года.
  4. Оплата только на расчётный счёт. При необходимости заключается договор поставки.

Культура монтажа на нашем производстве

Сертифицированное качество

Гарантия на шкафы АВР, ВРУ, ШУН ГРЩ, составляет 1 год. Но реальный срок эксплуатации значительно больше — при правильном использовании изделие прослужит вам 25 лет.

У нас есть обязательный сертификат на продукцию собственного производства ТР ТС 004/2011 «О безопасности низковольтного оборудования» и сертификаты менеджмента качества ISO 9001:2005 / DAkkS DIN EN ISO 9001:2015. Поэтому мы так уверены в качестве своей продукции.

Возникли сложности с выбором шкафа АВР, ВРУ ШУН, ГРЩ, ПР - обращайтесь, и мы подберем нужный вариант, ответим на вопросы и сориентируем по ценам и срокам.

Звоните +7 (499) 110-00-93
Пишите на zakaz@piris.ru

Отправьте заявку в отдел продаж

Хотите узнать о наличии товара, его стоимости и сроках поставки? Оставьте заявку и мы ответим вам в течение часа.

Имя

Компания*

Телефон*

E-mail*

Сообщение

Отправляя заявку, я соглашаюсь
на обработку персональных данных

Отдел продаж

Пункты выдачи заказов

Доставка по России через Деловые Линии и CDEK в 100+ города. Ускоренная доставка в Москву и Санкт-Петербург.

Реквизиты

ООО «ПИРИС»,
ИНН: 9703180145, КПП: 770301001, ОГРН: 1247700328798,
Юридический адрес: 123112, г Москва вн.тер.г муниципальный округ Пресненский наб Пресненская, 12 помещ 64п

Оставить заявку

Имя

Телефон*

E-mail*

Отправляя заявку, я соглашаюсь
на обработку персональных данных