Проектная цена с НДС
109 372 ₽
Срок производства от 12 дней
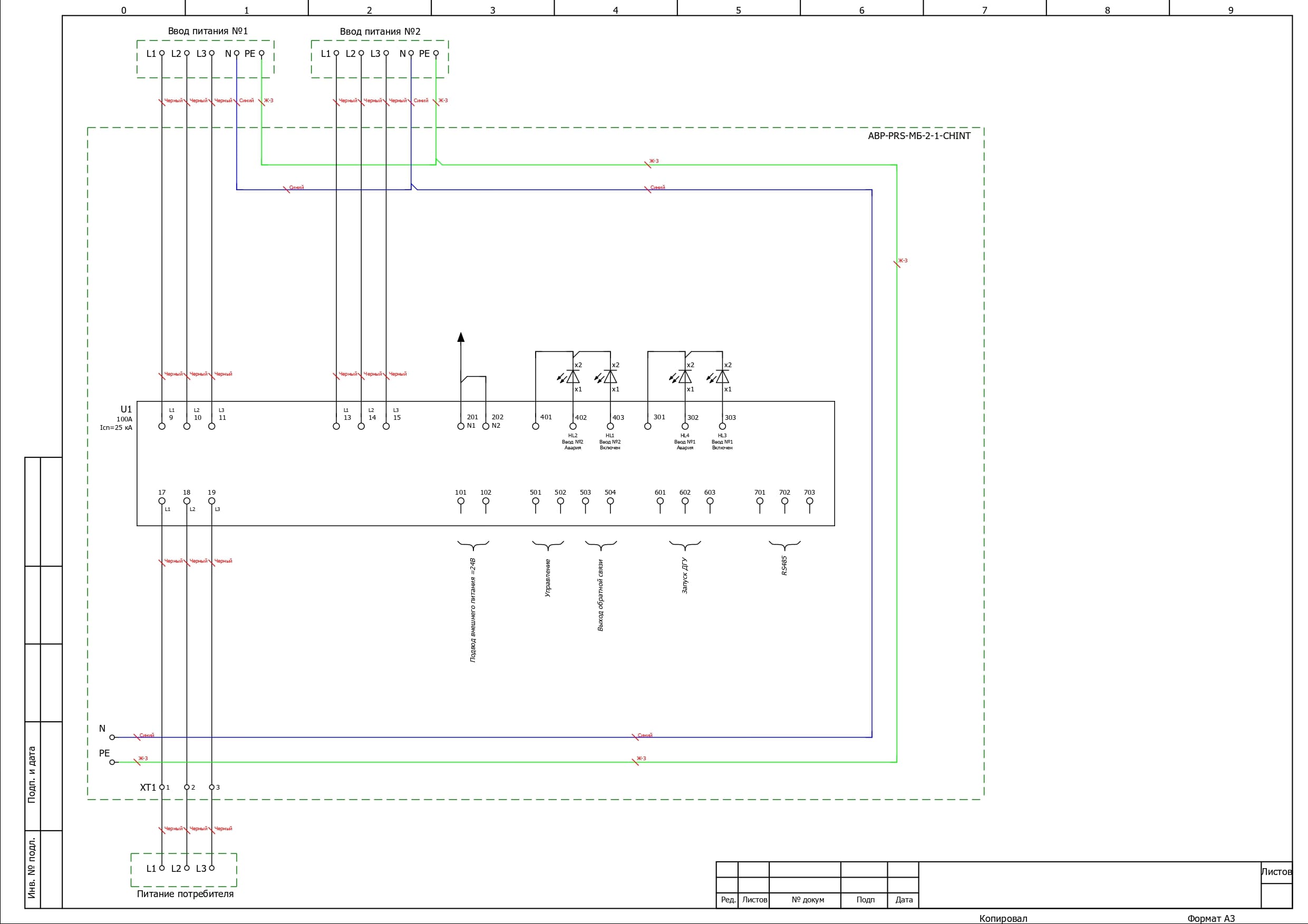
Устройства АВР-PRS-МБ-2-1-100-CHINT выполнены на моноблочных АВР серии NXZM бренда CHINT, имеет два ввода, индикацию и выносной дисплей контроллера на дверь.
Система АВР выполняет функцию автоматического переключения на резервный источник питания при аварии на основном вводе, с функцией самовозврата. Шкаф АВР имеет приоритет 1-го ввода. Самовозврат на основной источник питания происходит при восстановлении номинальных параметров сети.
Блок АВР NXZM оснащен встроенным контроллером с функциями мониторинга параметров сети, настройки приоритета вводов и регулировки времени переключения. Вводы подключаются снизу, с возможностью вывода на клеммы и дополнения секцией распределения.
Шкаф выполнен в металлическом корпусе со степенью защиты IP 31, возможен заказ в корпусе со степенью защиты IP 54.



Обзор на автоматический ввод резерва АВР NXZM CHINT
Культура монтажа на нашем производстве
Сертифицированное качество
Гарантия на шкафы АВР, ВРУ, ШУН ГРЩ, составляет 1 год. Но реальный срок эксплуатации значительно больше — при правильном использовании изделие прослужит вам 25 лет.
У нас есть обязательный сертификат на продукцию собственного производства ТР ТС 004/2011 «О безопасности низковольтного оборудования» и сертификаты менеджмента качества ISO 9001:2005 / DAkkS DIN EN ISO 9001:2015. Поэтому мы так уверены в качестве своей продукции.
Возникли сложности с выбором шкафа АВР, ВРУ ШУН, ГРЩ, ПР - обращайтесь, и мы подберем нужный вариант, ответим на вопросы и сориентируем по ценам и срокам.
Звоните +7 (499) 110-00-93
Пишите на zakaz@piris.ru
Отправьте заявку в отдел продаж
Хотите узнать о наличии товара, его стоимости и сроках поставки? Оставьте заявку и мы ответим вам в течение часа.
Отдел продаж
Пункты выдачи заказов
Доставка по России через Деловые Линии и CDEK в 100+ города. Ускоренная доставка в Москву и Санкт-Петербург.
Реквизиты
ООО «ПИРИС»,
ИНН: 9703180145, КПП: 770301001, ОГРН: 1247700328798,
Юридический адрес: 123112, г Москва вн.тер.г муниципальный округ Пресненский наб Пресненская, 12 помещ 64п
Оставить заявку
Расчёт стоимости
Розничная цена
109 372 ₽Итого
109371.7170Как получить скидку?
Если вы представляете электромонтажное, электро- щитовое или промышленное предприятие, мы готовы предложить вам индивидуальные условия работы.
Позвоните на +7 (499) 110-00-93 (бесплатно по РФ) или напишите на zakaz@piris.ru
Зарегистрироваться самостоятельно