Заказ

Ваша корзина пуста!

Шкаф АВР 315А, моноблок, 2 ввода, CHINT

Арт: АВР-PRS-МБ-2-1-315-CHINT

Характеристики

Документы

Описание

Задать вопрос

  • Артикул:
    АВР-PRS-МБ-2-1-315-CHINT
  • Производитель:
    PIRIS
  • Тип коммутации АВР:
    Моноблок
  • Документация:
    Разработана
  • Исполнение:
    Навесное
  • Масса:
    70 кг
  • Степень защиты:
    IP 31
  • Направление ввода и вывода кабеля:
    Снизу
  • Количество вводов:
    2
  • Количество полюсов:
    3 P
  • Номинальный ток:
    315 А
  • Номинальная отключающая способность:
    50 кА
  • Режим работы:
    Автоматический и ручной
  • Номинальное рабочее напряжение:
    380 В
  • Напряжение цепей управления:
    220 В
  • Учет электроэнергии:
    Нет
  • Тип расцепителя:
    Электромагнитный и тепловой
  • Материал шин:
    Медь
  • Потребляемая мощность:
    < 10 Вт
  • Секция распределения:
    Без секции распределения
  • Ресурс, циклов вкл/откл:
    6000
  • Тип заземления:
    TN-C, TN-S, TN-C-S
  • Тип покрытия:
    Порошковая покраска
  • Задержка перехода/возврат на резервный ввод :
    от 0 с до 180 с
  • Высота, мм:
    1000
  • Ширина, мм:
    800
  • Глубина, мм:
    400
  • Рабочее время перехода (без временной задержки):
    <3,5 с
  • Комплектующие:
    CHINT
  • Цвет корпуса:
    RAL 7035
  • Задержка на запуск/останов резервного генератора:
    от 0 с до 180 с
  • Рабочая температура:
    от -5 до +40 °C
  • Связь с противопожарной системой:
    Да

Шкаф АВР-PRS-МБ-2-1-315-CHINT на моноблоке NXZM CHINT

Устройства АВР-PRS-МБ-2-1-315-CHINT выполнены на моноблочных АВР серии NXZM бренда CHINT, имеет два ввода, индикацию и выносной дисплей контроллера на дверь.

Система АВР выполняет функцию автоматического переключения на резервный источник питания при аварии на основном вводе, с функцией самовозврата. Шкаф АВР имеет приоритет 1-го ввода. Самовозврат на основной источник питания происходит при восстановлении номинальных параметров сети.

Блок АВР NXZM оснащен встроенным контроллером с функциями мониторинга параметров сети, настройки приоритета вводов и регулировки времени переключения. Вводы подключаются снизу, с возможностью вывода на клеммы и дополнения секцией распределения.

Шкаф выполнен в металлическом корпусе со степенью защиты IP 31, возможен заказ в корпусе со степенью защиты IP 54.

Габариты шкафа АВР на 315А, на моноблоке АВР CHINT с 2 вводами
Габаритный чертеж АВР-PRS-МБ-2-1-315-CHINT
3D вид шкафа АВР на 315А, на моноблоке CHINT с 2 вводами
3D вид АВР-PRS-МБ-2-1-315-CHINT
3D вид шкафа АВР на 315А, на моноблоке CHINT с 2 вводами
3D вид АВР-PRS-МБ-2-1-315-CHINT
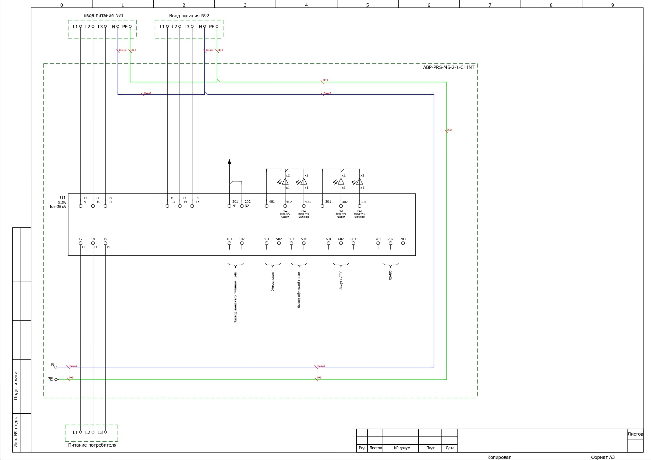
Электрическая схема шкафа АВР на 315А, на моноблоке АВР CHINT, 2 ввода
Принципиальная схема АВР-PRS-МБ-2-1-315-CHINT

Обзор на автоматический ввод резерва АВР NXZM CHINT

Производство, доставка, гарантия и оплата:

  1. Шкафы автоматического ввода резерва на контакторах АВР-PRS-МБ-2-1 изготавливаются за 14–25 дней, поскольку не хранятся на складе. Это даёт возможность учитывать незначительные изменения, которые иногда запрашивают клиенты.
  2. Доставляем бесплатно по всей России до терминала Деловых Линий.
  3. Даём гарантию на 1 год.
  4. Принимаем оплату только на расчётный счёт. При необходимости заключаем договор поставки.

Культура монтажа на нашем производстве

Сертифицированное качество

Гарантия на шкафы АВР, ВРУ, ШУН ГРЩ, составляет 1 год. Но реальный срок эксплуатации значительно больше — при правильном использовании изделие прослужит вам 25 лет.

У нас есть обязательный сертификат на продукцию собственного производства ТР ТС 004/2011 «О безопасности низковольтного оборудования» и сертификаты менеджмента качества ISO 9001:2005 / DAkkS DIN EN ISO 9001:2015. Поэтому мы так уверены в качестве своей продукции.

Возникли сложности с выбором шкафа АВР, ВРУ ШУН, ГРЩ, ПР - обращайтесь, и мы подберем нужный вариант, ответим на вопросы и сориентируем по ценам и срокам.

Звоните +7 (499) 110-00-93
Пишите на zakaz@piris.ru

Отправьте заявку в отдел продаж

Хотите узнать о наличии товара, его стоимости и сроках поставки? Оставьте заявку и мы ответим вам в течение часа.

Имя

Компания*

Телефон*

E-mail*

Сообщение

Отправляя заявку, я соглашаюсь
на обработку персональных данных

Отдел продаж

Пункты выдачи заказов

Доставка по России через Деловые Линии и CDEK в 100+ города. Ускоренная доставка в Москву и Санкт-Петербург.

Реквизиты

ООО «ПИРИС»,
ИНН: 9703180145, КПП: 770301001, ОГРН: 1247700328798,
Юридический адрес: 123112, г Москва вн.тер.г муниципальный округ Пресненский наб Пресненская, 12 помещ 64п

Оставить заявку

Имя

Телефон*

E-mail*

Отправляя заявку, я соглашаюсь
на обработку персональных данных